Supplier sign in
Home
STAY INFORMED
Subscribe to our monthly newsletter.
Your email address will never be disclosed to any third party.
Read our privacy notice.

       

Specialist article
22.07.2025  |  7539x
Share this item

Production of innovative Battery Materials

Enhancing Capacity and Stability by Particle Design with Advanced Powder Synthesis.

Enabling the production and refinement of anode/cathode materials and solid electrolytes in a single step, Glatt Powder Synthesis is a flexible and versatile tool for the development and industrial production of innovative battery materials.

Although the battery capacity of computers and mobile devices has reached acceptable levels of functionality and performance, there is still room for improvement in terms of charging speed and range, particularly in the field of electromobility. The search for solutions to overcome these issues is a strong driver of innovation. Glatt Powder Synthesis is a technology that is already being used in the production, activation and coating of new battery materials. The key to the effectiveness of this process is the use of a pulsating hot gas flow and application-specific conditions.

Developed by Glatt Ingenieurtechnik (Weimar, Germany) to synthesize a homogeneous powder, this technology first uses the raw materials to create a stoichiometric mixture, which is then dried and, if necessary, calcinated. Using this approach, even small quantities of doping elements can be homogeneously distributed into a prospective battery material to optimise performance characteristics such as capacity and charging behaviour.

Among other things, the durability and performance of active battery materials both depend on side reactions with the electrolyte. This, in turn, is a function of the applied voltage. With the increasing need for higher energy densities, it’s becoming more important to protect the surface of the anode and cathode.

For this purpose, Glatt Powder Synthesis can be used to coat these “active materials.” For core-shell particles, the dissolved coating material is sprayed in suspension together with the solid core material . This ensures that the coating material dries onto the core and, if necessary, calcinates. The process temperatures can be set from room temperature to 1300 °C, providing an almost infinite combination of coating and core material possibilities. Four specific application scenarios, listed below, demonstrate the range of Glatt Ingenieurtechnik’s technologies for modern battery materials.

Aerosol-based cathode material processing

The cathode accounts for the majority of the material costs of a battery cell. Cost-effective, highly efficient and durable components are therefore particularly important here (see, for example, Figure 1). Compounds currently used include lithium metal oxides (layered oxides such as NMC [LiNixMnyCozO2], NCA [LiNixCoyAlzO2] or spinel oxides such as LNMO [LiMn1.5Ni0.5O4]) and lithium metal phosphates, such as LFP (LiFePO4). Glatt Powder Synthesis is an ideal way to mass-produce the required materials at low cost.

The state-of-the-art multistage production route can be reduced with aerosol-based processing. The particle size and morphology can be adjusted using the system parameters (temperature, oscillation frequency and amplitude). Very fine particles (D50 = 5 µm) have already been produced in feasibility studies. Targeted doping, which enables increases in both capacity and efficiency — for fast charging and discharging — is also easy to implement. By incorporating fewer process steps and using inexpensive raw materials, scale-up to commercial-level production is eminently possible.

Anode material made from silicon-carbon composite materials
Carbon anodes traditionally dominated the market, but today, the need for higher energy densities means that alternatives are required. Silicon is predestined for this task because of its availability and high specific capacity. The technical challenge with silicon lies in the volume change that occurs during the charge/discharge cycle, which can lead to particle breakage, loss of contact with the current arrester and the continuous erosion of the protective boundary layer between the silicon and the electrolyte.

Silicon-carbon composite materials can solve this problem: the carbon framework compensates for the volume change of the silicon and, as an elastic layer, protects it from direct contact with the electrolyte (Figure 2). During production, silicon particles, a dissolved organic binder and other additives are prepared in a suspension and sprayed into the Powder Synthesis reactor. Depending on the process control, during drying, the binder can be used to agglomerate the silicon particles or form a thin coating layer on top of the particles. If required, the binder or layer phase can also be pyrolysed during the same process step using an appropriate temperature regime.

New routes to oxidic solid electrolytes

The trend in batteries is increasingly moving towards solid-state. The most difficult part of this is the development of a solid electrolyte that can compete with the ionic conduction of liquid electrolytes. Two main concepts are currently being pursued that utilise either oxidic or sulphide ion conductors.

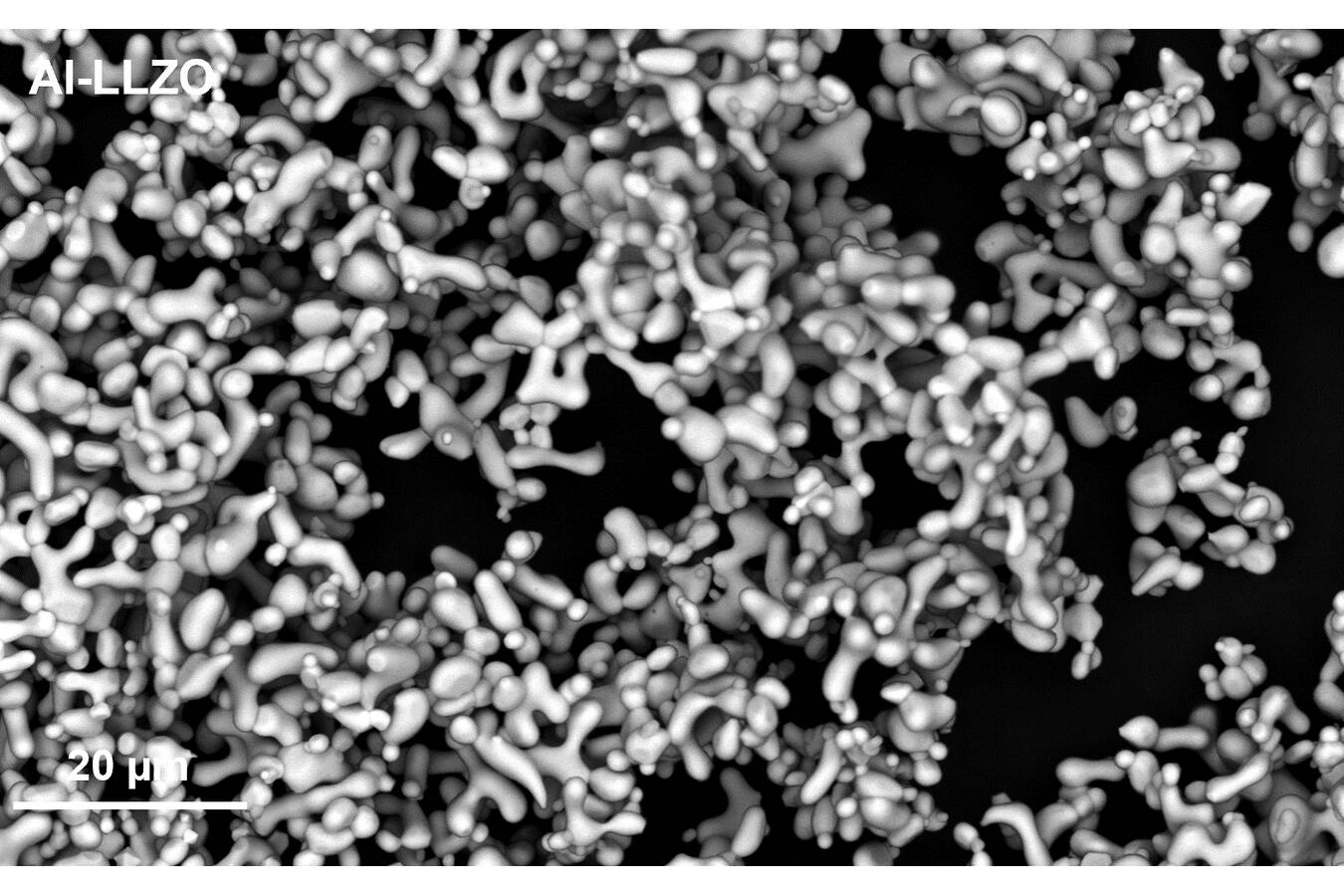
Glatt Powder Synthesis has been used in various projects to develop solid oxide electrolytes, including lithium lanthanum zirconium oxide (LLZO) and doped variants based on low-cost raw materials (see Figure 3). The particle size, bulk density and morphology can all be adjusted by adapting various parameters; furthermore, the powders can also be further processed into ceramic films. The scales of conventional processes for the production of LLZO are usually in the gram or kilogram range. The advantage of powder synthesis is its scalability to production volumes.

Coated cathode materials to increase long-term stability

During use, cathode materials are subject to side reactions with the electrolyte, which lead to their partial decomposition. A new approach is to coat the cathode materials to protect them from the release of active elements (such as manganese) or other undesirable reactions on contact with the electrolyte. Glatt Powder Synthesis is ideal for coating fine powder materials as a starting material for lithium-ion batteries (Figure 4). This can prevent rapid reductions in battery performance and increase the durability of the cathodes.

From powder to optimum raw material

Fine powders often have unfavourable processing properties because of their large specific surface area and low bulk densities. However, various techniques based on fluidised bed technology can be used to facilitate their production and optimisation. They improve the homogeneity and flowability of the processed particles, prevent the segregation of components and eliminate both dust formation and any associated process risks. Particle surfaces can thus be protected and functionalised, even in the high-temperature range.

authors:
Dr.-Ing. Viktor Drescher, Dr. rer. nat. Thomas Jähnert, Dr. rer. nat. Johannes Buchheim, Glatt Ingenieurtechnik GmbH, Weimar, Germany

originally published

at process-technology-online.com, Konradin-Verlag Robert Kohlhammer GmbH:Production of innovative Battery Materials. PDF download via external link (right side)

keywords:
particle design, powder synthesis, battery materials, solid electrolyte, anode material, cathode material

Company information

Glatt Ingenieurtechnik GmbH
Glatt Ingenieurtechnik GmbH
Glatt is specialized in intelligent particle design for the generation and functionalization of powders and granulates with defined, adjustable properties. The focus is on particles and powders for pigments, catalytic, ceramic or battery materials as well as for granules and pellets as additives for e.g. industrial salts, detergents and cleaning agents, fertilizers, pesticides, food, feed, dietary supplements and pharmaceuticals. Encapsulation of flavors, enzymes, vitamins, microorganisms, probiotics or fatty acids (PUFA) is just as possible as encapsulation of essential oils and other active, sensitive substances to be protected. With Glatt APPtec®, a unique technology for spray calcination, it is possible to generate, coat and then calcine particles in a pulsing hot gas stream in a single process step. As a pioneer in fluid bed and spouted bed technologies, Glatt masters these important processes for the formulation and optimization of particle properties through defined spray agglomeration, spray granulation, spray coating or (micro)encapsulation as well as through combinations of these processes. Also in the high temperature range. Glatt supports the product idea from the early phase of product formulation through process development to scale-up to production scale. Under the leadership of the Glatt Process & Plant Engineering teams, customized production plants for nutrition, fine chemicals, pharmaceuticals, and biotech applications are successfully planned and commissioned. Worldwide. Whether based on powder synthesis, fluid bed or spouted bed technology, Glatt also offers certified contract manufacturing for customers without their own production capacities.
Last update: 28.10.2025

Related trade show

Related articles

Striving for efficient phosphorus recycling solutions Phosphorus recycling from sewage sludge: more fertilizer, fewer heavy metals
Striving for efficient phosphorus recycling solutions
Phosphorus recycling from sewage sludge: more fertilizer, fewer heavy metals Phosphorus is essential as an agricultural fertilizer. Globally, this indispensable element is becoming increasingly scarce, putting an increasing focus on recovery where natural phosphate deposits are rare. Glatt Ingenieurtechnik GmbH has further developed its patented PHOS4green fertilizer production process so that sewage sludge ash from conurbations with high heavy metal contents can be used. Their removal means that fewer pollutants are released into the environment. Glatt has expanded its PHOS4green process to facilitate the legally compliant recovery of valuable materials from sewage sludge ash contaminated with heavy metals With sustainability now a global priority, the development of circular economies is top of mind throughout society, business and politics. The efficient use of resources, especially the recycling of waste products from material cycles, is becoming increasingly important. A good example is sewage sludge ash. Owing to its high phosphorus
03.01.2025  |  6224x  |  Specialist article  |   | 
From process development directly to contract manufacturing With short time-to-market: Particle and functional design from the fluid bed market leader
From process development directly to contract manufacturing
With short time-to-market: Particle and functional design from the fluid bed market leader The Glatt Group’s customers benefit from bundled expertise in particle design – from the initial feasibility test, through scale-up, to validation of the production process. Glatt offers suitable solutions for every variant and, if required, also implements customer-specific processes. Contract manufacturing has to fulfill very varied requirements. Some companies permanently outsource their production and permanently request large quantities. Others require flexible production slots to compensate for highly fluctuating requirements in terms of volume. Often, a mature product idea exists, but the innovators do not yet have the suitable technology. For the production and refinement of solid product formulations, a wide variety of tasks are commonplace: from nanodispersed powders for high-tech applications, to matrix-encapsulated feed and food additives in granule and pellet form, to products with a modified release of active ingredients. Contract manufacturing
08.07.2024  |  7125x  |  Specialist article  |   | 
Ceramic raw materials from the pulsating hot gas stream Creating customized raw material products on a technical scale. Example: barium strontium cobalt iron oxide (BSCF), doped and coated zirconium dioxide.
Ceramic raw materials from the pulsating hot gas stream
Creating customized raw material products on a technical scale. Example: barium strontium cobalt iron oxide (BSCF), doped and coated zirconium dioxide. By using Glatt’s innovative powder synthesis technology and the associated spray drying and calcination processes, new opportunities in raw material production have been explored. In this article, the inherent potential of barium strontium cobalt iron oxide (BSCF), doped and coated zirconium dioxide is described. Keywords Zirconium dioxide, BSCF, raw material development, spray drying, calcination, powder synthesis Authors Dr-Ing. Viktor Drescher is a materials engineer and holds a doctorate in coating technology from the Technical University of Berlin. At Glatt, he works in business development and is responsible for the high-temperature processes powder synthesis, high-temperature fluidized bed and chemical vapor deposition (CVD). Dr rer. nat. Johannes Buchheim obtained his PhD from Friedrich Schiller University in Jena, Germany. He has been working as a project engineer in Glatt’s Application and Formulation Technology department on powder synthesis
02.02.2024  |  6883x  |  Specialist article  | 
Exploring new ways to produce cosmetic pigments Interview with Merck and Glatt about the cooperation and the project
Exploring new ways to produce cosmetic pigments
Interview with Merck and Glatt about the cooperation and the project Using completely new technology, pigment specialists at Merck and Glatt Ingenieurtechnik’s technology and production experts have worked closely together to produce an innovative range of cosmetic pigments. The Darmstadt-based Merck Group placed an order for the development and construction of a plant based on chemical vapour deposition (CVD) after successful joint trials at Glatt’s location in Weimar. We interview the partner companies about the cooperation and the project. EuroCosmetics: How did the cooperation between Merck and Glatt Ingenieurtechnik (GIT) to produce Ronaflux® pigments come about? Dr Katarzyna Sztuka: Merck and Glatt have had a successful partnership for many years. For example, Glatt manufactures equipment for Merck’s Healthcare and Life Science divisions. Producing Ronaflux® pigments, which are cosmetic products, requires a special quality and purity standard. This infrastructure was already in place at Glatt or could be expanded quickly
27.10.2023  |  5559x  |  Specialist article  | 
Plant safety from the perspective of an operating company Plant engineers should “go the extra mile” to ensure the safe operation of process facilities
Plant safety from the perspective of an operating company
Plant engineers should “go the extra mile” to ensure the safe operation of process facilities Manufacturers in the bulk material industriy can profit, if the engineering and construction company not only develops tailor made solutions, but is a manufacturer itself. Toll manufacturing sharpens the view for the obligations, dutys and challenges on the manufacturing and operation side. Manufacturers need to pay higher attention to product safety, fire and explosion protection, plant and operator safety (occupational health) as well as environmental protection, than required from the engineering and construction side. Being a toll manufacturer themself, Glatt is incorporating the operational experience into the design of their process plants, beyond legal and regulatory requirements. Plant manufacturers and operators must comply with strict operational demands and legal regulations, some of which overlap or must be apportioned to the appropriate party. For the plant manufacturer, examples include conformity procedures — such as risk analyses in accordance with
27.10.2023  |  7448x  |  Specialist article  | 
Punktlandung mit Sonderanlagenbau
Punktlandung mit Sonderanlagenbau

This item is only available in German
17.12.2021  |  5293x  |  Specialist article  | 
Beschichtetes Zirkonoxid für die Medizintechnik
Beschichtetes Zirkonoxid für die Medizintechnik

This item is only available in German
28.10.2021  |  5680x  |  Specialist article  |   | 
Wirbelschichtsysteme: Konti, Batch, oder doch ein Hybrid?
Wirbelschichtsysteme: Konti, Batch, oder doch ein Hybrid?

This item is only available in German
15.07.2021  |  8815x  |  Specialist article  |   | 
Drying and product design in the vacuum fluid bed Dry, durable, pressure-resistant: Gentle and safe processes
for processing extracts containing solvents and temperature-sensitive substances
Drying and product design in the vacuum fluid bed
Dry, durable, pressure-resistant: Gentle and safe processes for processing extracts containing solvents and temperature-sensitive substances The processing of solvent-containing extracts and temperature-sensitive substances such as microorganisms or enzymes places high demands on process conditions, occupational safety and plant safety. Vacuum fluid bed technology from plant manufacturer Glatt is another way of achieving even more temperature-friendly processes by lowering the boiling point at reduced system pressures. This benefits live cells, products with organic solvents, and also agglomerates with high strength. Aqueous processes and their limits Fluid bed technology is characterized by excellent heat and mass transfer. Each individual product particle is suspended by the process gas to achieve perfect mixing and homogeneous temperature distribution. These well-known advantages of convection drying over contact dryers are utilized for temperature-sensitive products such as yeasts, enzymes and other reactive substances. Efficient drying in the fluid bed enables a variety of other processes such as
06.05.2025  |  14755x  |  Specialist article  |   | 

More items

Glatt searches skilled workers, technicians, engineers, scientists Wherever you are in the world – working at Glatt means everywhere: developing high-performance solutions. Implementing innovative ideas. Sharing global knowledge.
Glatt searches skilled workers, technicians, engineers, scientists
Wherever you are in the world – working at Glatt means everywhere: developing high-performance solutions. Implementing innovative ideas. Sharing global knowledge. Your Career at Glatt The opportunity for your success. Glatt is a leading global supplier of integrated process solutions for customers in the pharmaceutical, food/feed and fine chemical industries. Our products and services stand for reliability and quality worldwide. Around 3000 employees in more than 15 companies and agencies around the world work for Glatt. Be successful with us We offer you the opportunity to be successful with us. Follow the link under more information to go to our Job Offer webpage.*NEWLINE*If we have piqued your interest, please apply in person with your complete application documents via our online application portal. This is very easy and is the quickest way to success for you and us. You can easily upload your attachments, such as cover letter, CV and certificates, in all common formats. Notes * Applications that do not reach us via the online portal cannot be considered. * Can’t find a suitable vacancy? Then we look forward
07.04.2025  |  6233x  |  Job vacancy  | 
FILLED
Glatt opens branch office in Leipzig Expansion of the engineering network and greater customer proximity and market presence in Germany, Central and Eastern Europe
Glatt opens branch office in Leipzig
Expansion of the engineering network and greater customer proximity and market presence in Germany, Central and Eastern Europe Glatt Ingenieurtechnik GmbH opened a branch in Leipzig on January 1, 2025 as part of its commitment to the expansion of customer services and market presence in Germany, Central and Eastern Europe. New branch expands engineering network The plant manufacturer, process expert and engineering service provider Glatt Ingenieurtechnik has opened a branch in Leipzig to tap further customer potential in the food, feed & fine chemical and pharmaceutical markets. The site in Leipzig city centre, which is easily accessible by car, train and via Leipzig/Halle airport, is the perfect location for regional and international customer meetings as it is situated in the heart of the Leipzig growth region, which provides easy access to skilled workers and numerous scientific institutions. For Leipzig branch manager Dr Steffen Hillmann, the business focus is very much on food, feed and fine chemicals, as well as pharmaceutical engineering. Going forward, the new branch is set
28.01.2025  |  2312x  |  Press release  | 
Anti-reflective solutions for laser inertial confinement fusion Joint project “nanoAR” launched for solutions for the clean energy supply of the future
Anti-reflective solutions for laser inertial confinement fusion
Joint project “nanoAR” launched for solutions for the clean energy supply of the future New and robust anti-reflective solutions for laser inertial confinement fusion Laser fusion power plants will be the basis for a clean energy source of the future. In order for these to work efficiently and reliably in the future, laser technologies must be available that meet the requirements for high performance and continuous operation. As part of the funding program “Basic technologies for fusion – on the way to the fusion power plant”, the Federal Ministry of Education and Research (BMBF) is funding the joint project “nanoAR” with six million euros. In this new research project, nine project partners from industry and research are working on methods for the prevention of near-surface damage and structural reflection reduction of the optical components used. Their approaches could also be transferred to other fields of application for high-performance optics. In laser inertial confinement fusion, high-precision and high-energy laser beams are used
13.12.2024  |  3575x  |  Product news  | 
Glatt presents the GFC 16 pilot coating module GFC 16 closes the gap for fully continuous coating on pilot scale. Fully continuous coating now in all scales for non-pharmaceutical applications.
Glatt presents the GFC 16 pilot coating module
GFC 16 closes the gap for fully continuous coating on pilot scale. Fully continuous coating now in all scales for non-pharmaceutical applications. New fluidized bed coater module for all continuous coating and layering processes in the fluidized bed Current market trends show an increasing focus on functional coatings that require small amounts of coating material and very uniform layer coatings. Glatt has responded to these requirements and expanded its portfolio technologically. First time shown at ACHEMA 2024 in Frankfurt The GFC 16 process module, which we will show at ACHEMA 2024 in Frankfurt, expands the performance spectrum of pilot systems at the Glatt Technology Centre in Weimar. It has been specially designed for demanding continuous coating applications in the non-pharmaceutical sector. The developers paid particular attention to the fluid mechanical behaviour of the system along with the gentle infeed and discharge of raw materials, and coated products. Thanks to its design, the module offers all the usual injection options and is suitable for use across a wide range of particle sizes. All
07.06.2024  |  5359x  |  Product news  |   | 
Pulversynthese - Partikeldesign optimiert Batteriematerialien
Pulversynthese - Partikeldesign optimiert Batteriematerialien

This item is only available in German
15.05.2023  |  3418x  |  Product description  |   | 

Related categories

PORTALS
BulkSolids-Portal Schuettgut-Portal Recycling-Portal
Related
Bulkgids.nl
SIGN UP FOR OUR NEWSLETTER
Newsletter archive
Service and contact
ContactDisclaimerPrivacyAdvertising
FOLLOW US
Linked