Supplier sign in
Home
STAY INFORMED
Subscribe to our monthly newsletter.
Your email address will never be disclosed to any third party.
Read our privacy notice.

       

Product news
07.02.2024  |  4087x
Share this item

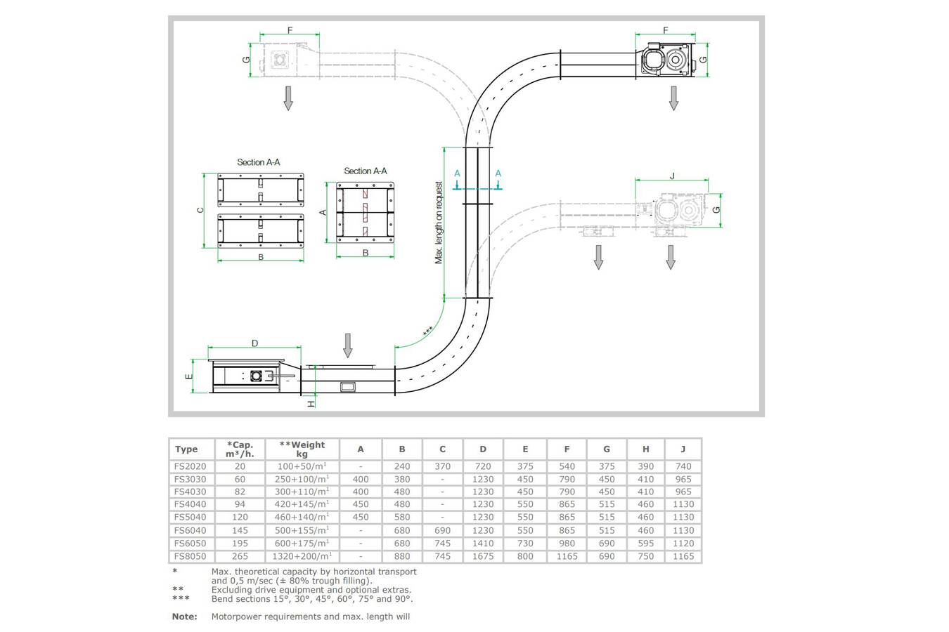
Poeth Z- or C-conveyor ideal when height is limited

With the Z conveyor in the C design, an elevation step can be achieved relatively easily. The conveyor is also suitable for very watery products.
It is often the case that an additional screening stage or metal detection stage needs to be incorporated into an existing situation. However, there is not enough height. With the Z conveyor in the C design, an elevation step can be achieved relatively easily. The conveyor is also suitable for very watery products.

Application

The Incline flight conveyor is designed for handling a variety of dry, free flowing bulk materials (also suitable for fine powders) either horizontally, on an incline or a combination of both.

Operation

The plastic flights are carried by a chain, all contained in a standard trough. Bulk Materials flow smoothly and gently. All materials are carried “en masse” without tumbling, thereby keeping material agitation and friction to a minimum. Particle degradation and separation are also minimized.

Construction

  • standard intermediate sections.
  • Bend sections 15°,30°,45°,60°,75° and 90°
  • Sprocket-idler return system.
  • All-steel chain
  • Replaceable plastic flights.
  • Drive equipment.
  • (By-pass) Inlet.
  • Discharge outlet.
  • Efficient and simply designed.
  • Totally enclosed.

Benefits

  • Gentle material handling.
  • Custom-built to suit individual requirements.
  • Up to 150 ton/h.

Optional extras

  • Stainless steel construction.
  • Abrasion resistant bottoms or bolted side liner packages.
  • By-pass inlet.
  • Discharge gates.
  • Overflow indicator.

Company information

More items

Poeth offers a wide range of big-bag filling solutions
Poeth offers a wide range of big-bag filling solutions
Big bags are increasingly used to fill products. Poeth offers a wide range of solutions for filling these big bags: - automatically closing big bag - vibrating bottom for compacting powders/granulates - automatic unloading of big-bag loops - roller conveyor or chain conveyor - tilting filling head for improved ergonomics - big bag suspended in a chain conveyor to allow extremely watery powders such as soy to settle.
08.01.2024  |  3631x  |  Product news  |   | 
 Poeth filters: customization is standard for us Poeth Solids Processing has been manufacturing dust collection filters in-house for over 100 years, providing flexibility and minimizing the impact of transportation costs.
Poeth filters: customization is standard for us
Poeth Solids Processing has been manufacturing dust collection filters in-house for over 100 years, providing flexibility and minimizing the impact of transportation costs. Dust extraction filter Since its founding, Poeth Solids Processing has been developing and producing dust extraction filters in all shapes and sizes for more than 100 years. The entire production process takes place in-house, so that we can react flexibly to special requests from the market. It becomes particularly interesting when the available height or floor space is very limited. Since the Corona period, the costs for overseas transport have increased significantly. Many companies that have parts produced in the Far East have seen their cost prices rise significantly in recent years. Automation of the production process Poeth, on the other hand, has invested significantly in further automating the production process and produces almost all parts entirely in-house and does not rely on third parties. Various customers in Europe looked for alternatives due to increased costs and unreliable delivery times and ended up with Poeth. Especially for larger filters.
04.11.2023  |  4010x  |  Product news  | 
Poeth Hammermill test facility
Poeth Hammermill test facility
More and more products rejected for reasons such as colour or overproduction are finding high-value applications as ingredients for new products. Fermentation is no longer the standard for many products. After a drying proces these products can be tested on Poeth’s own ATEX-certified grinding test facility. A wide variety of products have already been successfully tested for e.g achievable grinding capacity and fineness: * black soldier fly protein (insects eating from residual food streams). * extruded potato starch , derived from french fries industry * dried potato chips * dried carrot pieces * dried sugar beet pulp But also non food products can be grinded on the test facility e.g. * non-recyclable waste from consumer waste (fuel for power stations) * horse manure, usable as fuel * electronics waste => Printed circuit boards contain high-quality precious metals (gold, palladium, silver etc.)
21.09.2023  |  3512x  |  Product news  | 
Poeth  Z-Conveyor for fine manganese powders Bends in a pneumatic conveyor system for manganese powders wore out every 3-4 weeks. Endurance tests with the slow Z-conveyor have shown that this is a viable solution.
Poeth Z-Conveyor for fine manganese powders
Bends in a pneumatic conveyor system for manganese powders wore out every 3-4 weeks. Endurance tests with the slow Z-conveyor have shown that this is a viable solution. In the past, fine manganese powders were often transported using pneumatic conveyors. However, even at low speeds (dense phase conveying) the wear on the bends was considerable. The bends had to be replaced every 3-4 weeks. For this reason, the slow Z-Conveyor transport (0.2-0.4 m/s) has been chosen for a new line. In order not to run unnecessary risks, extensive endurance tests were carried out in advance on the Poeth test installation. The test installation can be run in a ”closed-loop”, so that endurance tests can be carried out relatively easily. Further advantages: - the conveyor can be equipped with multiple inlets and multiple outlets - affordable spare parts - very suitable for Atex applications, where no additional long-term facilities are required.
02.03.2023  |  4691x  |  Product news  | 
PORTALS
BulkSolids-Portal Schuettgut-Portal Recycling-Portal
Related
Bulkgids.nl
SIGN UP FOR OUR NEWSLETTER
Newsletter archive
Service and contact
ContactDisclaimerPrivacyAdvertising
FOLLOW US
Linked