Supplier sign in
Home
STAY INFORMED
Subscribe to our monthly newsletter.
Your email address will never be disclosed to any third party.
Read our privacy notice.

       

Press release
16.03.2021  |  5307x
Share this item

More Poeth Z-Conveyors in growing plastic recycling market

Low TCO for conveying between shredders, sorters, washing lines

New rules from 2021

New rules will apply to the export of plastic waste from 1 January 2021. Only clean and sorted plastic waste that is suitable for direct recycling can still be traded freely. The export of all other types of plastic waste, such as mixtures of various types or contaminated plastic, falls under the export ban or the notification obligation of the European Waste Shipment Regulation (EVOA). With the new rules, the Human Environment and Transport Inspectorate (ILT) can better monitor and enforce the export of plastic waste. These new rules were to be expected and caused the plastic recycling industry in Europe to experience tremendous growth in the past year.

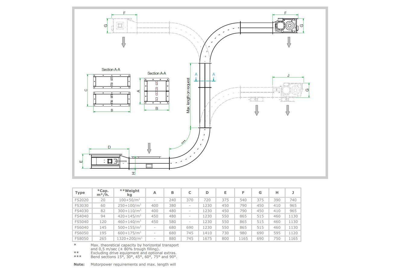
Z- and C-Conveyor

Poeth has, together with various customers in this industry, conducted intensive tests in Poeth`s Test room and on location at the customers. Through continuous testing and improvement, the Z-Conveyor has been used optimally and carefree in recent years as a transport between various machines in plastic recycling such as color sorters, NIR sorters, washing lines, shredders.

Everything applies that the recycling processes become more and more profitable, with a decrease in investment and operational costs. (Total Cost of Ownership (TCO)). The Z- and C-Conveyor has experienced tremendous growth in this market in recent years due to a low TCO.

Poeth delivered more than 20 pieces of Z`s last year C- Conveyors for Plastic Recycling for various recycling plants.

The big advantage of this setup:

  • compact machine in relation to capacity
  • robust
  • no unnecessary dust (angel hair)
  • very low noise emission compared to air transport
  • very low energy consumption (approx. 1.75 kW, 8 tons / hour, 6 m height, 2 horizontal
  • less other costs for control / cabling.
  • virtually no product contamination
  • low investment costs
  • virtually no maintenance costs, and cost-effective spare parts

Also for powdery and watery products

The machine is well suited for use in circular processes, and is also suitable for powdery products, even very fine products such as Carbon Black, or very watery milk powders such as finely ground soy. In terms of Atex, no additional facilities are required, due to, among other things, low speed of carbon black
  • food recycling (bread, potato peelings, carrot granules, etc.)
  • printed circuit boards recycling
  • metal powders from residual flows

Two test setups are ready at the Tegelen location for testing your products.

Company information

PORTALS
BulkSolids-Portal Schuettgut-Portal Recycling-Portal
Related
Bulkgids.nl
SIGN UP FOR OUR NEWSLETTER
Newsletter archive
Service and contact
ContactDisclaimerPrivacyAdvertising
FOLLOW US
Linked